提高利用率,实现排放目标

垃圾发电(WTE)

垃圾发电(WTE)设施是循环经济的关键环节,能将农业残留物、林业副产品、城市固体废物等废弃材料转化为可用的电能和热能。 为确保安全、稳定和优化的运营,这些电站需要先进的技术支持,以实现高利用率、符合监管要求,并适应多种燃料类型和燃烧工艺的运营灵活性。

Emerson Helps Ensure Reliable Power Generation at Waste-to-Energy Plant
一体化控制与监测技术

在垃圾发电设施的整个生命周期内优化性能

提升可靠性,减少排放,简化全厂资产运营

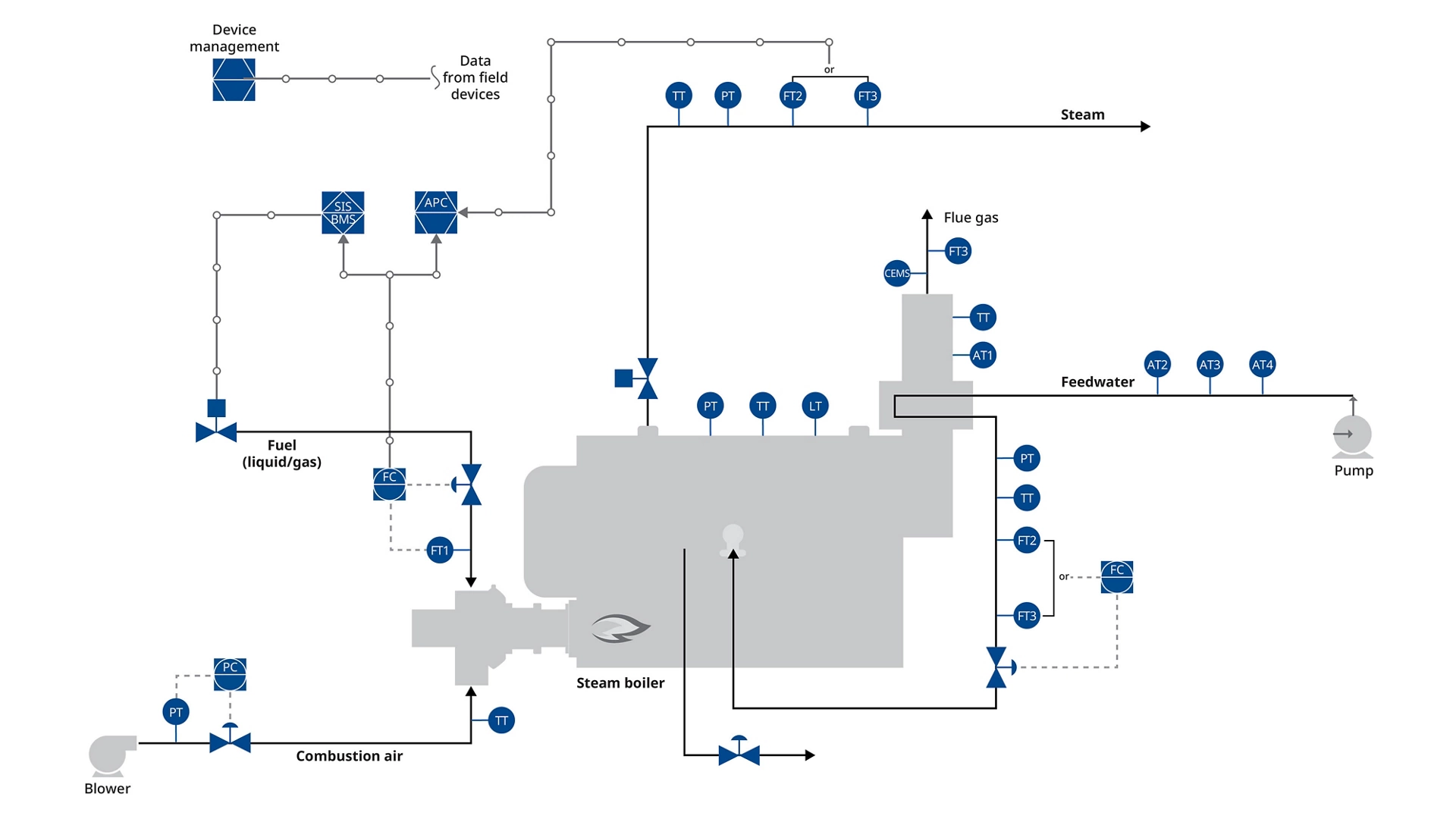
垃圾发电厂在严苛的条件下运行,需处理多种原料并遵守严格的排放标准。 集成的自动化、控制和安全系统使运营商能够保持工艺稳定性、遵守环境法规,并能针对设备性能或燃烧动态的变化做出快速响应。 从燃料处理、燃烧到蒸汽生成和排放监测,先进的自动化技术是实现稳定性能、高效资源回收和长期运营韧性的关键。

实时控制、可视化与决策支持

现行垃圾发电解决方案

集中式平台统一了整个工艺流程的数据与控制,助力垃圾发电厂提升效益。 可扩展的自动化系统能对燃烧变化做出准确、协调的响应,而数字化工具则能实现预测性维护、远程诊断和实时合规性监测。 这些全方位解决方案使运营团队能够更大限度地减少停车、延长资产寿命,并优化从卸料平台到汽轮机的全流程性能。

统一的系统控制与安全

image

一体化控制与安全系统是工厂实现自动化的关键支柱,可对各种操作进行实时监测和协调响应。 这些系统可确保安全、稳定的性能,同时保护人员、设备和环境。

通过实时调整确保稳定燃烧

提升汽轮机效率与蒸汽平衡

自信地确保符合环境标准

image

集成于工厂控制系统中的连续排放监测系统(CEMS)能够实时跟踪监测 NOx、SOx、CO 和颗粒物等污染物。 这些系统有助于确保符合监管法规,并实现主动的环境管理。

实现预测性洞察分析,协助维护并提升效率

image

数字化工具与分析平台将运营数据转化为可执行的洞察分析,为预测性维护、远程诊断与性能对标提供支持。 这使团队能够减少停车、延长资产寿命并做出更明智的决策。

变废为宝,创造可持续能源

常见问题解答(FAQ)

垃圾发电(WTE)技术通过将城市固体废物(MSW)、工业垃圾及其他不可回收材料转化为电能和热能,在可持续发电中发挥着关键作用。 本常见问题解答部分解答了关于 WTE 的原理、所用废物类型、环境考量因素,以及自动化和数字化技术如何提高工厂效率、安全性和法规合规性的关键问题。 随着城市和各行业寻求更清洁的能源解决方案,WTE 提供了一种可靠的方法来减少垃圾填埋、降低温室气体排放,并从废物流中回收宝贵的能源。

垃圾发电是将不可回收的废物通过焚烧、气化或厌氧消化等方法转化为可用能源的过程,主要产生电能或热能,这种方式有助于减少填埋量并产生可再生电力。

垃圾发电厂处理城市固体废物(MS))、工业垃圾、生物质以及其他原本会被送往垃圾填埋场的不可回收材料。

通过焚烧垃圾产生蒸汽驱动汽轮机发电,或通过捕获厌氧消化产生的沼气来供热和发电。

当配备先进的排放控制系统时,WTE 设施可以减少垃圾填埋场产生的甲烷排放,从废物中回收能源,并满足严格的空气质量和可持续性环保标准。

垃圾发电厂能够提供可再生能源,减少对填埋处理的依赖,减少温室气体排放,并通过将废物转化为可靠的电力来源来增强本地能源安全。

自动化技术通过实现实时监测、优化燃烧过程、加强排放控制以及支持预测性维护,提高了垃圾发电厂的性能,实现更安全、更高效的运营。